ТД «Мастер» Розничная продажа строительных и отделочных материалов, а также товаров хозяйственнго назначения 603095 Пермякова, д. 20 Россия, г. Нижний Новгород +79990796989

А в приложении выгоднее!

Внимание! Изображение товара может отличаться от реального.

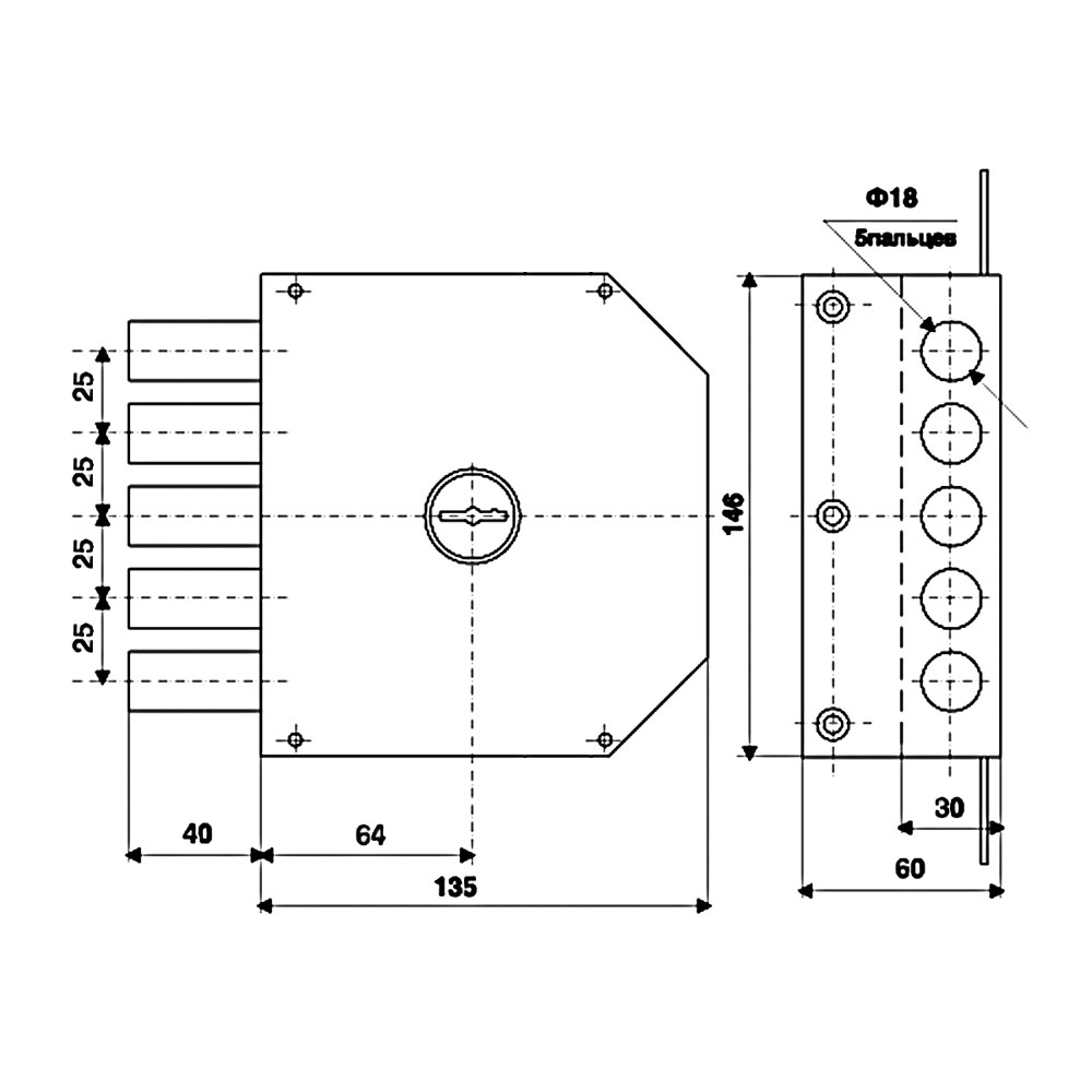
Замок накладной Класс GSS-001

Описание товара
Накладной замок"Класс" GSS-001 с пятью ригелями и двумя внутренними тягами.Может монтироваться как на входные металлические так и на  деревянные двери. 
 Является отличным выбором для тех, кто ценит безопасность  и желает обеспечить надёжную защиту имущества и пространства.
Наличие цвета уточняйте у менеджера по телефону.
Характеристики
Артикул 52491
Ед. Измерения шт
Материал Сталь
Количество ключей 5 шт
Бренд Класс
Удаление ключевого отверстия (Backset),мм 66
Тип двери входные
Тип крепления замка без лицевой планки
Покрытие гальваника
Тип механизма секретности сувальдный
Толщина двери,мм 40-60
Размер ригеля,мм 18
Количество ригелей 5
Форма ригеля цилиндр
Вылет ригелей,мм 40
От: 2'643
Цена и наличие на сайте и в магазине могут различаться. Пожалуйста, уточняйте стоимость и наличие товаров в конкретном магазине
 

Отзывы (0)